YO9BXC

YO9BXC

A short description about me and my history as a amateur radio1
9 elements F9FT YAGI

9 elements F9FT YAGI

GPM 1500 Vertical Antenna

GPM 1500 Vertical Antenna

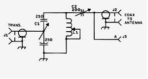
My homemade antenna tuner for GPM-1500

My homemade antenna tuner for GPM-1500

My shack

My shack

YO9BXC shack
My Yaesu FT857

My Yaesu FT857

The Yaesu FT-857 is the worlds's smallest HF/VHF/UHF multimode amateur transceiver. But don't let the diminutive size fool you. The FT-857 is loaded with features, high power output and a receiver that blends the renowned performance of the FT-897 and FT-1000 Mark V.
 
2 visitors online
Developed by Opti-Web